Elektronarzędzia
Stycznik mocy to elektryczne urządzenie przełączające zdolne do sterowania wysokimi prądami, używane głównie do załączania i wyłączania obwodów silnikowych oraz innych obciążeń elektrycznych.
Znajduje zastosowanie w przemysłowych systemach sterowania do zarządzania pracą
oraz innych urządzeń wymagających niezawodnego sterowania dużymi mocami.
Prezentowany stycznik posiada cewkę 24V DC.




Etykieta Green Premium to zobowiązanie firmy Schneider Electric do dostarczania produktów o najlepszych w swojej klasie parametrach środowiskowych.
Green Premium obiecuje zgodność z najnowszymi przepisami, przejrzystość w zakresie wpływu na środowisko, a także produkty o obiegu zamkniętym i niskiej emisji CO2.


Schneider Electric SE to globalne przedsiębiorstwo specjalizujące się w projektowaniu i produkowaniu urządzeń oraz akcesoriów dla branży energetycznej.
Główna siedziba przedsiębiorstwa znajduje się w mieście Rueil-Malmaison we Francji. Początki firmy sięgają 1836 roku.
Przełomowym rokiem dla Schneider Electric SE był 1919 rok, kiedy to firma otworzyła oddziały w Europie. Od tamtej pory systematycznie rozszerza swoją ofertę i zdobywa nowe rynki.
Kategorie użytkowania styczników Tesys określają prądy, które stycznik musi załączać lub rozłączać, w zależności od rodzaju obciążenia i warunków łączeniowych. Przykładowo, kategoria AC-1 dotyczy obciążeń rezystancyjnych, a AC-3 silników klatkowych. Z kolei kategorie DC-1 i DC-3 dotyczą obciążeń prądu stałego, z naciskiem na specyficzne warunki rozruchu i hamowania.
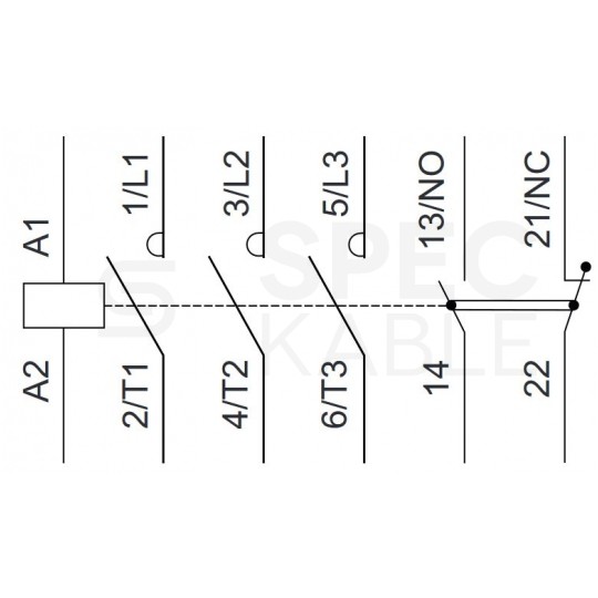
Zaciski cewki są oznaczone jako A1 oraz A2 i można je zobaczyć z przodu stycznika. Znajdują się one obok zacisków styku pomocniczego (13/14 NO, 21/22 NC). W przypadku cewek na napięcie DC zaciski dodatnie i ujemne są odpowiednio oznaczone - A1 dla dodatniego i A2 dla ujemnego.