Elektronarzędzia
Stycznik mocy to elektryczne urządzenie przełączające zdolne do sterowania wysokimi prądami, używane głównie do załączania i wyłączania obwodów silnikowych oraz innych obciążeń elektrycznych.
Znajduje zastosowanie w przemysłowych systemach sterowania do zarządzania pracą
oraz innych urządzeń wymagających niezawodnego sterowania dużymi mocami.
Prezentowany stycznik posiada cewkę 24V DC o niskim poborze mocy z modułem tłumienia stanów przejściowych.




Etykieta Green Premium to zobowiązanie firmy Schneider Electric do dostarczania produktów o najlepszych w swojej klasie parametrach środowiskowych.
Green Premium obiecuje zgodność z najnowszymi przepisami, przejrzystość w zakresie wpływu na środowisko, a także produkty o obiegu zamkniętym i niskiej emisji CO2.


Schneider Electric SE to globalne przedsiębiorstwo specjalizujące się w projektowaniu i produkowaniu urządzeń oraz akcesoriów dla branży energetycznej.
Główna siedziba przedsiębiorstwa znajduje się w mieście Rueil-Malmaison we Francji. Początki firmy sięgają 1836 roku.
Przełomowym rokiem dla Schneider Electric SE był 1919 rok, kiedy to firma otworzyła oddziały w Europie. Od tamtej pory systematycznie rozszerza swoją ofertę i zdobywa nowe rynki.
Kategorie użytkowania styczników Tesys określają prądy, które stycznik musi załączać lub rozłączać, w zależności od rodzaju obciążenia i warunków łączeniowych. Przykładowo, kategoria AC-1 dotyczy obciążeń rezystancyjnych, a AC-3 silników klatkowych. Z kolei kategorie DC-1 i DC-3 dotyczą obciążeń prądu stałego, z naciskiem na specyficzne warunki rozruchu i hamowania.
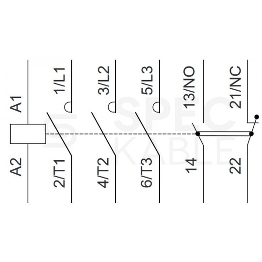
Zaciski cewki są oznaczone jako A1 oraz A2 i można je zobaczyć z przodu stycznika. Znajdują się one obok zacisków styku pomocniczego (13/14 NO, 21/22 NC). W przypadku cewek na napięcie DC zaciski dodatnie i ujemne są odpowiednio oznaczone - A1 dla dodatniego i A2 dla ujemnego.