Elektronarzędzia Ograniczniki przepięć to urządzenia, które służą do ochrony instalacji elektrycznych oraz podłączonych do nich urządzeń przed skutkami przepięć. Przepięcia mogą być wynikiem wielu czynników, takich jak uderzenia piorunów, wahania napięcia w sieci elektrycznej lub przełączanie obciążeń w sieci.
Głównym zadaniem ograniczników przepięć jest szybkie rozpoznanie niebezpiecznie wysokiego napięcia i przekierowanie nadmiaru energii elektrycznej do ziemi (uziemienia), chroniąc w ten sposób urządzenia elektryczne.
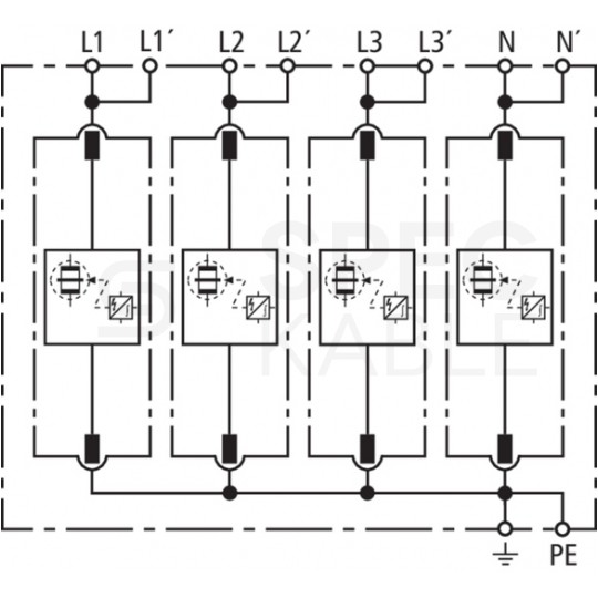
Prezentowany kombinowany ogranicznik przepięć z modułami wymiennymi do sieci TNS o napięciu znamionowym 230 / 400 V (układ połączeń "4+0"); wersja FM ze zdalną sygnalizacją stanu (bezpotencjałowy zestyk przełączny).


Ogranicznik przepięć B+C jest kluczowym elementem w systemie kaskadowej ochrony przeciwprzepięciowej, zgodnie z normą PN-EN 61643-11. Stanowi on połączenie dwóch rodzajów ochrony: typu 1 (dawna klasa B), czyli odgromnika, i typu 2 (dawna klasa C), zwanego także ochronnikiem.
Połączenie ograniczników typu 1 i 2 w jednym urządzeniu zapewnia kompleksową ochronę zarówno przed bezpośrednimi skutkami uderzeń piorunów, jak i wtórnymi przepięciami.
Zazwyczaj montowane w domowych rozdzielniach, są one niezastąpione w zapewnianiu bezpieczeństwa i stabilności pracy wszelkich urządzeń elektrycznych w domu lub przedsiębiorstwie. Dzięki takiemu połączeniu, użytkownicy mogą być pewni, że ich systemy elektryczne są chronione na każdym etapie, od największych przepięć aż do tych najmniejszych, które mogą stanowić zagrożenie dla delikatnych urządzeń elektronicznych.


Zastosowanie ogranicznika w systemach zasilania trakcji 16,7 Hz
Skuteczna obrona przeciwprzepięciowa wymaga wykonania w sposób kaskadowy, tj. wielostopniowy. Z tego względu przy zasilaniu obiektów stosuje się trójstopniowy system ochrony przeciwprzepieciowej. Stanowia go ograniczniki typu 1, 2 i 3 zgodnie z normą PN-EN 61643-11 (dawniej oznaczanę klasą B, C i D, według DIN VDE 0675).
Ogranicznik typu 1, czyli dawnej klasy B
Ogranicznik typu 2, czyli dawnej klasy C
Ochronnik typu 3, czyli dawnej klasy D
Wszystkie typy ochronników muszą być zamontowane kaskadowo, inaczej cała ochrona przeciwprzepięciowa będzie nieskuteczna. Ochronniki dalszych stopni nie poprzedzone tymi wcześniejszymi nie są w stanie wyeliminować obciążeń cieplnych, jakim odgromniki i bezpieczniki podlegają przy przepływie prądów piorunowych. Bez stopnia poprzedzającego ulegają one zniszczeniu.


VDE jest to skrót pierwszych liter niemieckiego instytutu kontroli Verband der Elektrotechnik, który specjalizuje się w certyfikacji urządzeń oraz systemów elektrotechnicznych.
Produkt z takim symbolem gwarantuje nam, że produkt został gruntownie sprawdzony i przebadany pod względem mechanicznym, elektrycznym, termicznym. Produkty z certyfikatem VDE to gwarant bezpieczeństwa dla każdego użytkownika podczas pracy przy instalacjach elektrycznych.
Certyfikat KEMA KEUR jest kluczowym wyróżnikiem w świecie elektrotechniki, symbolizującym najwyższe standardy bezpieczeństwa i jakości.
Oznakowanie KEMA KEUR na produkcie jest nie tylko potwierdzeniem jego spełnienia rygorystycznych norm bezpieczeństwa, ale również świadczy o jego niezawodności i wysokiej jakości wykonania.
Produkty z tym certyfikatem są synonimem innowacji i zaufania w branży, co czyni je preferowanym wyborem wśród profesjonalistów i użytkowników doceniających trwałość oraz bezpieczeństwo.


RAC = Rapid Arc Control (szybka kontrola łuku): technika iskiernikowa ograniczająca sieciowy prąd następczy, która nie wpływa negatywnie na funkcjonowanie urządzeń końcowych.
Iskiernik RAC zamontowany w ograniczniku DEHNshield ZP niezwykle szybko reaguje na zaistniałe przepięcie i przepuszcza minimalną energię resztkową. Oznacza to maksymalne bezpieczeństwo i optymalną ochronę dla końcowych urządzeń elektronicznych zamontowanych za ogranicznikiem przepięć, które są podatne na odziaływanie przepięć.
Okres eksploatacji urządzeń końcowych w obrębie strefy ochronnej ogranicznika DEHNshield ZP (w odległości do 10 m wzdłuż przewodu) został znacznie wydłużony, podobnie jak trwałość użytkowa samego ogranicznika przepięć.
Prezentowany produkt został wyprodukowany w całości na terenie Niemiec. W procesie produkcyjnym użyto najwyższej jakości materiałów, a finalny produkt został poddany wymagającej kontroli jakościowej.
Poziom wykonania jest bezkonkurencyjny w stosunku do produktów sprowadzanych z Chin, czy Tajwanu.


DEHN to wiodąca międzynarodowa, rodzinna firma elektrotechniczna z siedzibą w Neumarkt w Niemczech. Kompleksowy asortyment produktów pozwala firmie DEHN reagować na megatrendy naszych czasów – od elektromobilności i odnawialnych źródeł energii po ochronę infrastruktury krytycznej.
Firma oferuje rozwiązania i usługi w zakresie ochrony odgromowej i przepięciowej oraz sprzętu bezpieczeństwa – dziedzin, w których DEHN jest wiodącym innowatorem z ponad 1100 patentami. Produkty DEHN chronią ludzi i budynki, systemy i technikę telekomunikacyjną, przemysł przetwórczy, a także instalacje fotowoltaiczne i elektrownie wiatrowe.
Historia sukcesu firmy rozpoczyna się 21 stycznia 1910 roku, kiedy to główny elektryk Hans Dehn rejestruje swoją firmę elektroinstalatorską w Norymberdze. Obecnie, ponad 100 lat później, firma rodzinna zarządzana przez czwarte pokolenie, zatrudnia około 2000 pracowników na całym świecie.

