Elektronarzędzia
Ograniczniki przepięć to urządzenia, które służą do ochrony instalacji elektrycznych oraz podłączonych do nich urządzeń przed skutkami przepięć. Przepięcia mogą być wynikiem wielu czynników, takich jak uderzenia piorunów, wahania napięcia w sieci elektrycznej lub przełączanie obciążeń w sieci.
Głównym zadaniem ograniczników przepięć jest szybkie rozpoznanie niebezpiecznie wysokiego napięcia i przekierowanie nadmiaru energii elektrycznej do ziemi (uziemienia), chroniąc w ten sposób urządzenia elektryczne.
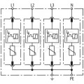
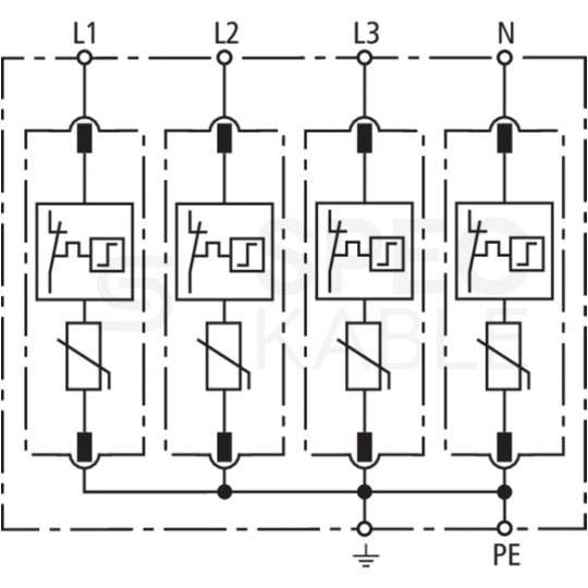
Jest to ogranicznik przepięć uniwersalnego zastosowania składający się z podstawy i wymiennego modułu ochronnego. Wyróżnia się wysoką wytrzymałością udarową dzięki zastosowaniu warystorów z tlenku cynku / iskierników. Ponadto, charakteryzuje się wysoką niezawodnością dzięki urządzeniu kontrolno-odłączającemu "Thermo Dynamic Control".


Znajdujący się w ofercie ogranicznik przepięć został zaprojektowany do ochrony instalacji elektrycznych, przed napięciami indukowanymi, łączeniowymi oraz wywołanymi przez czynniki atmosferyczne. Mogą również znajdować się w rozdzielnicach oddziałowych, piętrowych i tablicach rozdzielczych do ochrony instalacji elektrycznych i urządzeń czułych.
Zabezpieczona całość za pomocą warystorów gdzie ich największą zaletą jest duża szybkość działania. Potrafią one przejść ze swojego stanu wysokoomowego do niskoomowego w czasie krótszym niż 25 ns. Przy niewielkich rozmiarach posiadają dużą zdolność pochłaniania energii.
Warystory stosuje się dla zabezpieczenia przed przepięciami zarówno w obwodach zmiennoprądowych, jak i stałoprądowych.


Skuteczna obrona przeciwprzepięciowa wymaga wykonania w sposób kaskadowy, tj. wielostopniowy. Z tego względu przy zasilaniu obiektów stosuje się trójstopniowy system ochrony przeciwprzepieciowej. Stanowia go ograniczniki typu 1, 2 i 3 zgodnie z normą PN-EN 61643-11 (dawniej oznaczanę klasą B, C i D, według DIN VDE 0675).
Ogranicznik typu 1, czyli dawnej klasy B
Ogranicznik typu 2, czyli dawnej klasy C
Ochronnik typu 3, czyli dawnej klasy D
Wszystkie typy ochronników muszą być zamontowane kaskadowo, inaczej cała ochrona przeciwprzepięciowa będzie nieskuteczna. Ochronniki dalszych stopni nie poprzedzone tymi wcześniejszymi nie są w stanie wyeliminować obciążeń cieplnych, jakim odgromniki i bezpieczniki podlegają przy przepływie prądów piorunowych. Bez stopnia poprzedzającego ulegają one zniszczeniu.


VDE jest to skrót pierwszych liter niemieckiego instytutu kontroli Verband der Elektrotechnik, który specjalizuje się w certyfikacji urządzeń oraz systemów elektrotechnicznych.
Produkt z takim symbolem gwarantuje nam, że produkt został gruntownie sprawdzony i przebadany pod względem mechanicznym, elektrycznym, termicznym. Produkty z certyfikatem VDE to gwarant bezpieczeństwa dla każdego użytkownika podczas pracy przy instalacjach elektrycznych.
Certyfikat KEMA KEUR jest kluczowym wyróżnikiem w świecie elektrotechniki, symbolizującym najwyższe standardy bezpieczeństwa i jakości.
Oznakowanie KEMA KEUR na produkcie jest nie tylko potwierdzeniem jego spełnienia rygorystycznych norm bezpieczeństwa, ale również świadczy o jego niezawodności i wysokiej jakości wykonania.
Produkty z tym certyfikatem są synonimem innowacji i zaufania w branży, co czyni je preferowanym wyborem wśród profesjonalistów i użytkowników doceniających trwałość oraz bezpieczeństwo.


Prezentowany produkt został wyprodukowany w całości na terenie Niemiec. W procesie produkcyjnym użyto najwyższej jakości materiałów, a finalny produkt został poddany wymagającej kontroli jakościowej.
Poziom wykonania jest bezkonkurencyjny w stosunku do produktów sprowadzanych z Chin, czy Tajwanu.
DEHN to wiodąca międzynarodowa, rodzinna firma elektrotechniczna z siedzibą w Neumarkt w Niemczech. Kompleksowy asortyment produktów pozwala firmie DEHN reagować na megatrendy naszych czasów – od elektromobilności i odnawialnych źródeł energii po ochronę infrastruktury krytycznej.
Firma oferuje rozwiązania i usługi w zakresie ochrony odgromowej i przepięciowej oraz sprzętu bezpieczeństwa – dziedzin, w których DEHN jest wiodącym innowatorem z ponad 1100 patentami. Produkty DEHN chronią ludzi i budynki, systemy i technikę telekomunikacyjną, przemysł przetwórczy, a także instalacje fotowoltaiczne i elektrownie wiatrowe.
Historia sukcesu firmy rozpoczyna się 21 stycznia 1910 roku, kiedy to główny elektryk Hans Dehn rejestruje swoją firmę elektroinstalatorską w Norymberdze. Obecnie, ponad 100 lat później, firma rodzinna zarządzana przez czwarte pokolenie, zatrudnia około 2000 pracowników na całym świecie.


